-
MenuRetour
-
Toutes vos machines ⏷
-
-
Toutes vos pièces détachées ⏷
-
-
-
Motorisation
- Carburateur Tracteur Tondeuse
- Durites et tuyaux tracteur tondeuse
- Filtre à air tracteur tondeuse
- Filtre à Huile et essence Autoportée
- Huile - Kit entretien Autoportée
- Joints moteur Autoportée
- Moteur Tracteur Tondeuse
- Pièces moteur tracteur tondeuse
- Pot échappement Tracteur Tondeuse
- Réservoir d'essence autoportée
-
-
-
-
-
-
-
-
-
Motorisation
- Bouchon de réservoir tondeuse
- Carburateur tondeuse
- Filtre à air tondeuse
- Huile - kit entretien tondeuse
- Joints moteur tondeuse
- Lanceur tondeuse
- Moteur complet tondeuse
- Pièces moteur tondeuse
- Réservoir essence Tondeuse
- Ressort régulateur moteur tondeuse
- Robinet essence tondeuse
- Tuyau et collier tondeuse
-
-
-
-
-
-
-
-
-
-
-
Transmission
-
-
-
-
-
-
-
-
-
-
Motorisation
-
-
-
-
-
-
Accessoires / Entretien
-
-
-
-
-
-
-
-
Motorisation
-
-
-
-
Transmission
-
-
-
-
Châssis / Coupe
-
-
-
-
-
-
-
Courroies
-
-
Outillage
-
-
Taille / Coupe
-
-
-
-
-
-
-
Dévidoirs / Tuyaux / Raccords
-
-
- Vues éclatées Husqvarna, McCulloch, Jonsered, Flymo
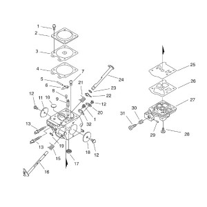
Carburateur tronçonneuse - Page 6
Le carburateur est l'une des pièces maîtresses de votre moteur de tronçonneuse. Il est important de bien régler le carburateur afin d'éviter toute panne inutile. Il ne faut pas oublier qu'il nécessite de l'entretien, par exemple en changeant les joints ou les membranes.
Comment puis-je régler mon carburateur ?
Il faut se munir d'un tournevis de réglage. Par exemple, pour les carburateurs Walbro, vous avez plusieurs formes de vis : Pacman, double D, étoilée, avec un deux méplats, etc. Il faut absolument respecter la forme de la vis sinon vous risquez d'abîmer le pas de vis et de ne plus pouvoir le régler.
Quel entretien pour le carburateur de ma tronçonneuse?
Il est important de prendre soin de votre carburateur, vous pouvez par exemple changer ou contrôler l'état de ses joints régulièrement. C'est une réparation simple et généralement peu coûteuse. Les principaux sont les joints d'admission et le joint de filtre à air.
Il se peut qu'au bout d'un certain temps, les membranes internes de votre carburateur soient attaquées par l'essence donc à ce moment-là, il faut le démonter entièrement afin de les changer. C'est une opération peu coûteuse grâce au kit membranes mais il faut s'armer de patience !
Certains ateliers utilisent également les ultrasons afin de nettoyer toutes les parties inaccessibles du carburateur.
Comment faciliter le démarrage de ma tronçonneuse ?
Sur votre machine, vous avez ce qui s'appelle une poire d'amorçage. C'est une petite pièce en caoutchouc qui permet d'amorcer l'essence jusqu'au carburateur et ainsi faciliter le démarrage. Si jamais elle se perce, il faut absolument la changer.
Découvrez notre gamme de carburateur et pièces détachées pour tronçonneuse toutes marques... Alpina, Dolmar, Echo, Efco, Mc Culloch, Stihl, Husqvarna, Homelite, Oleo-Mac, Partner, Vap, Nautac, Jonsered, Tromeca, Poulan, Iseki-Shindaiwa, Solo, Zenoah, Ikra, Makita, Walbro, Zama, Tillotson.
Panier
Le panier est vide
Mon compte
Paiement sécurisé
Lorsque vous passez commande, votre espace est sécurisé
Paiement sécurisé par carte bleue / carte de crédit, par Apple Pay
Paiement sécurisé avec Paypal
Paiement en 2x, 3x, 4x ou 10x avec Alma
de 100 à 7000€
Paiement sécurisé Bancontact
pour nos clients belges
Paiement par chèque et virement bancaire
Paiement administratif avec
Chorus Pro accepté (sur demande)
Livraison
Nous faisons tout pour que vous receviez vos commandes dans les meilleurs délais
Livraison en point relais & bureau de poste
France: Livré en 48h dès 3.99€
Livraison express en point relais
France: Livré en 48h dès 4.99€
Livraison express à domicile
France: Livré en 48h dès 7.99€
Belgique: Livré en 48/72h dès 5.90€
Livraison à domicile
France: Livré en 48h dès 5.99€
DOM: Livré en 5 à 15 jours dès 14.99€ (HT)
TOM: Livré en 5 à 15 jours dès 14.99€ (ht)
Livraison express en point relais avant 13h
France: Livré en 24h dès 6.99€
Livraison express à domicile avant 13h
France: Livré en 24h dès 9.99€
Livraison par transporteur
France: Livré sous 5 jours dès 22.95€
Belgique: Livré sous 7 jours dès 29.95€
Satisfait ou remboursé
Aucun stress en achetant sur Jardimax.com
Bénéficiez de notre garantie satisfait ou remboursé de 30 jours.
Le retour est étendu jusqu'à 60 jours pour un avoir ou un échange. Passé ce délai les retours ne sont plus acceptés.
Faites vos achats en toute confiance, vous avez 60 jours pour retourner votre achat, sans justification, assurant une expérience d'achat sans souci.
Chez Jardimax.com, nous nous engageons à vous satisfaire pleinement.
Vous souhaitez effectuer un retour ?
Des conseillers (vraiment) disponibles
Une question ? Un conseil ? Ils sont là pour vous !
Vous pouvez nous contacter directement via notre formulaire de contact
Chez Jardimax.com, nous nous engageons à vous satisfaire pleinement.
Un chat apparaît en bas à droite. N'hésitez pas à y poser vos questions, nos conseillers recevront directement votre message !
Vous préférez nous parler directement ?
Nos conseillers sont joingnables le lundi de 10h à 12h et de 14h à 16h, ainsi que du mardi au vendredi de 9h à 12 et de 14h à 16h
